IS-620 Cable Mount for 3″ – 14″ Dia. Vertical Line
PRIMARY INSTRUMENT SUPPORT MODULE, PREFAB SINGLE INSTRUMENT, CABLE MOUNT SADDLE W/ RIGHT ANGLE, EXTENSION 16″ LG, FOR 3″-14″ DIA. PIPE, VERTICAL.

HOW TO ORDER:
Specify the part number from our instrument support catalog quantity, and mention any dimensions outside of our standard range, if any.
IS-620 Cable Mount for 16″ – 36″ Dia. Vertical Line
PRIMARY INSTRUMENT SUPPORT MODULE, PREFAB SINGLE INSTRUMENT, CABLE MOUNT SADDLE W/ RIGHT ANGLE, EXTENSION 16″ LG, FOR 16″-36″ DIA. PIPE, VERTICAL.

HOW TO ORDER:
Specify the part number from our instrument support catalog quantity, and mention any dimensions outside of our standard range, if any.
IS-630 Cable Mount for 3″-14″ Dia. Horizontal Line
PRIMARY INSTRUMENT SUPPORT MODULE, PREFAB SINGLE INSTRUMENT, CABLE MOUNT SADDLE W/ RIGHT ANGLE, EXTENSION 16″ LG, FOR 3″-14″ DIA. PIPE, HORIZONTAL.

HOW TO ORDER:
Specify the part number from our instrument support catalog quantity, and mention any dimensions outside of our standard range, if any.
IS-630 Cable Mount for 16″-36″ Dia. Horizontal Line
PRIMARY INSTRUMENT SUPPORT MODULE, PREFAB SINGLE INSTRUMENT, CABLE MOUNT SADDLE W/ RIGHT ANGLE, EXTENSION 16″ LG, FOR 16″-36″ DIA. PIPE, HORIZONTAL.

HOW TO ORDER:
Specify the part number from our instrument support catalog quantity, and mention any dimensions outside of our standard range, if any.
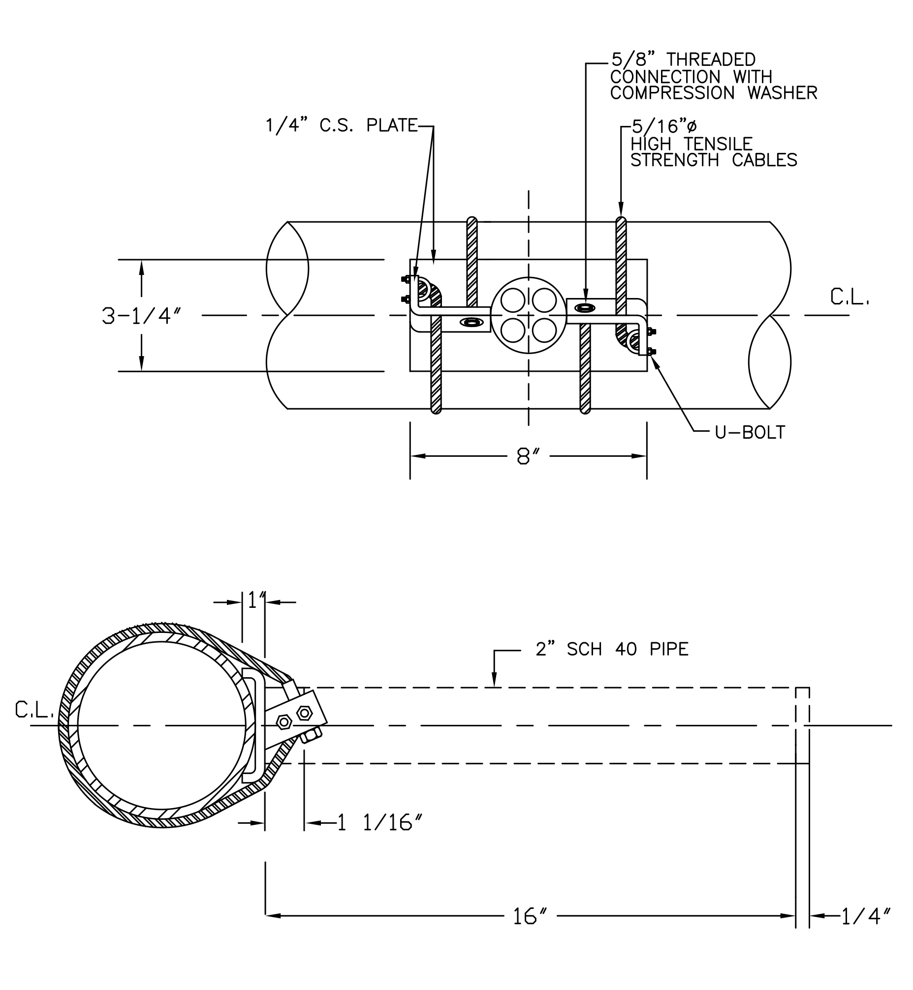
IS-635 Cable Mount w/ Thd. Coupling for 3″-14″ Dia. Horizontal or Vertical Line
PRIMARY INSTRUMENT SUPPORT MODULE, PREFAB SINGLE INSTRUMENT, CABLE MOUNT SADDLE W/ THREADED COUPLING FOR 2″ NPT PIPE EXTENSION, FOR 3″-14″ DIA. HORIZONTAL OR VERTICAL PIPE.

HOW TO ORDER:
Specify the part number from our instrument support catalog quantity, and mention any dimensions outside of our standard range, if any.
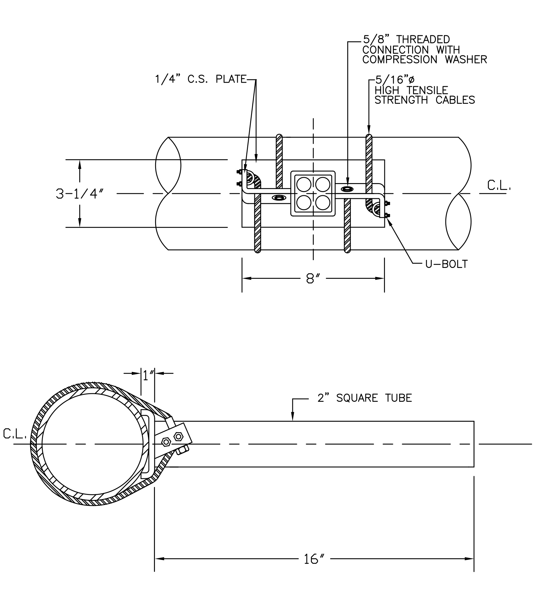
IS-635 Cable Mount w/ Sq. Leg Extension for 3″-14″ Dia. Horizontal Line
PRIMARY INSTRUMENT SUPPORT MODULE, PREFAB SINGLE INSTRUMENT, CABLE MOUNT SADDLE W/ SQ LEG EXTENSION, FOR 3″-14″ DIA. PIPE HORIZONTAL OR VERTICAL.

HOW TO ORDER:
Specify the part number from our instrument support catalog quantity, and mention any dimensions outside of our standard range, if any.
IS-635 Cable Mount w/ Thd. Coupling for 16″-36″ Dia. Horizontal or Vertical Line
PRIMARY INSTRUMENT SUPPORT MODULE, PREFAB SINGLE INSTRUMENT, CABLE MOUNT SADDLE W/ THD COUPLING FOR 2″ NPT PIPE EXTENSION, FOR 16″-36″ DIA. PIPE, HORIZONTAL OR VERTICAL.

HOW TO ORDER:
Specify the part number from our instrument support catalog quantity, and mention any dimensions outside of our standard range, if any.